Zawór trójdrożny to kluczowy element w wielu instalacjach grzewczych i chłodniczych, który umożliwia precyzyjną kontrolę przepływu czynnika roboczego, najczęściej wody. Jego główną funkcją jest mieszanie lub rozdzielanie przepływu w trzech kierunkach, co pozwala na dostosowanie temperatury i kierunku przepływu. Dzięki temu, zawór trójdrożny znacząco wpływa na efektywność energetyczną systemów oraz wydłuża żywotność urządzeń, takich jak kotły.
W artykule omówimy, jak działa zawór trójdrożny, jakie ma zastosowania oraz jak unikać typowych problemów związanych z jego funkcjonowaniem. Zrozumienie zasady działania tego elementu jest kluczowe dla każdego, kto chce zapewnić sprawne i efektywne działanie swojego systemu grzewczego lub chłodniczego.
Najważniejsze informacje:
- Zawór trójdrożny reguluje przepływ czynnika roboczego w trzech kierunkach.
- Umożliwia mieszanie gorącej i zimnej wody, co pozwala na uzyskanie optymalnej temperatury.
- Automatyczne zawory trójdrożne reagują na zmiany temperatury, co zapewnia stabilność działania.
- Wykorzystywane są w różnych systemach, w tym ogrzewaniu podłogowym i kotłach dwufunkcyjnych.
- Regularna konserwacja zaworu trójdrożnego jest kluczowa dla jego długowieczności i efektywności.
Zasada działania zaworu trójdrożnego i jego funkcje w systemach
Zawór trójdrożny jest kluczowym elementem w instalacjach grzewczych i chłodniczych, który umożliwia precyzyjną kontrolę przepływu czynnika roboczego, najczęściej wody. Działa on poprzez mieszanie lub rozdzielanie przepływu w trzech kierunkach, co pozwala na dostosowanie temperatury i kierunku przepływu. Dzięki temu, zawór trójdrożny może znacząco zwiększyć efektywność energetyczną systemów oraz wydłużyć żywotność urządzeń, takich jak kotły. Jego konstrukcja, obejmująca korpus, trzy porty przyłączeniowe oraz element wewnętrzny, jest zaprojektowana tak, aby wytrzymać wysokie ciśnienia i temperatury.
W praktyce, zawór trójdrożny działa poprzez regulację proporcji mieszania gorącej i zimnej wody w wewnętrznej komorze. Elementy sterujące, takie jak mieszadełka czy obrotowe trzpienie, zmieniają stopień otwarcia dopływów, co pozwala na precyzyjne dostosowanie końcowej temperatury wypływającej wody. W przypadku zaworów automatycznych, szczególnie tych termostatycznych, wewnętrzny element reaguje na zmiany temperatury, co zapewnia stabilność działania całego systemu. Taki mechanizm pozwala na utrzymanie stałej temperatury medium, co jest kluczowe dla optymalnego funkcjonowania instalacji grzewczych i chłodniczych.
Jak zawór trójdrożny reguluje przepływ w instalacjach grzewczych
Zawór trójdrożny reguluje przepływ w instalacjach grzewczych poprzez odpowiednie mieszanie gorącej i zimnej wody. Proces ten pozwala na uzyskanie wody o dokładnie zadanej temperaturze, co jest kluczowe dla komfortu użytkowników. Zawór działa poprzez zmianę proporcji obu strumieni wody, co zapewnia efektywne zarządzanie ciepłem w systemie. Na przykład, podczas gdy gorąca woda z kotła jest łączona z zimną wodą powrotną, zawór dostosowuje ich proporcje, aby uzyskać optymalną temperaturę zasilania dla grzejników lub ogrzewania podłogowego.
Rola zaworu trójdrożnego w systemach chłodzenia i ciepłej wody
Zawór trójdrożny odgrywa kluczową rolę w systemach chłodzenia oraz w aplikacjach związanych z ciepłą wodą użytkową. Jego główną funkcją jest regulowanie przepływu czynnika roboczego, co pozwala na efektywne zarządzanie temperaturą w tych systemach. W przypadku systemów chłodzenia, zawór ten umożliwia mieszanie chłodnej wody z powrotem z instalacji z wodą z chłodnicy, co pozwala na uzyskanie optymalnej temperatury w pomieszczeniach. W kontekście ciepłej wody użytkowej, zawór trójdrożny kieruje wodę do wymiennika ciepła podczas podgrzewania, a także do punktów poboru wody, takich jak krany czy prysznice.
W automatycznych systemach, zawory trójdrożne są często sterowane przez elementy termostatyczne, które dostosowują przepływ wody w odpowiedzi na zmiany temperatury. Dzięki temu, użytkownicy mogą cieszyć się stałym dostępem do ciepłej wody o żądanej temperaturze. Zawory te są również wykorzystywane w systemach HVAC, gdzie ich funkcjonalność przyczynia się do zwiększenia efektywności energetycznej i komfortu użytkowników. Właściwe działanie zaworu trójdrożnego jest kluczowe dla zapewnienia stabilności i efektywności całego systemu.
Praktyczne zastosowania zaworu trójdrożnego w różnych instalacjach
Zawory trójdrożne znajdują szerokie zastosowanie w różnych instalacjach, zarówno w systemach grzewczych, jak i chłodniczych. W przypadku ogrzewania podłogowego, zawór trójdrożny umożliwia efektywne zarządzanie przepływem wody, co pozwala na uzyskanie optymalnej temperatury w pomieszczeniach. Dzięki możliwości mieszania gorącej wody z powrotem, użytkownicy mogą cieszyć się komfortem cieplnym przy jednoczesnym zmniejszeniu kosztów energii. Zawór ten pozwala na precyzyjne dostosowanie temperatury wody dostarczanej do systemu, co zwiększa efektywność całej instalacji.
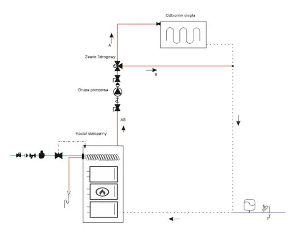
Innym istotnym zastosowaniem zaworu trójdrożnego jest jego rola w kotłach dwufunkcyjnych. Te urządzenia, które jednocześnie podgrzewają wodę użytkową i ogrzewają pomieszczenia, korzystają z zaworów trójdrożnych do przełączania przepływu czynnika grzewczego pomiędzy różnymi odbiornikami. W momencie, gdy woda użytkowa wymaga podgrzania, zawór kieruje wodę do wymiennika ciepła, a kiedy system potrzebuje ogrzewania, zmienia kierunek przepływu do grzejników. Takie rozwiązanie zapewnia efektywność energetyczną i komfort użytkowania, co czyni zawór trójdrożny niezbędnym elementem nowoczesnych instalacji grzewczych i chłodniczych.
Zawór trójdrożny w ogrzewaniu podłogowym - korzyści i wyzwania
Zawór trójdrożny w systemach ogrzewania podłogowego przynosi wiele korzyści, ale także wiąże się z pewnymi wyzwaniami. Jego główną zaletą jest możliwość precyzyjnego zarządzania temperaturą w pomieszczeniach, co zapewnia komfort cieplny. Dzięki mieszaniu gorącej wody z powrotem, zawór trójdrożny pozwala na uzyskanie optymalnej temperatury zasilania, co zwiększa efektywność całego systemu. Jednakże, jednym z wyzwań jest konieczność odpowiedniej regulacji, aby uniknąć przegrzewania lub niedogrzewania, co może prowadzić do nieefektywnego działania systemu.
Wykorzystanie zaworu trójdrożnego w kotłach dwufunkcyjnych
Zawór trójdrożny odgrywa kluczową rolę w kotłach dwufunkcyjnych, gdzie jego funkcjonalność jest nieoceniona. Umożliwia on przełączanie przepływu czynnika grzewczego pomiędzy podgrzewaniem ciepłej wody użytkowej a ogrzewaniem pomieszczeń. Gdy użytkownik potrzebuje ciepłej wody, zawór kieruje wodę do wymiennika ciepła, a podczas ogrzewania pomieszczeń, zmienia kierunek przepływu do grzejników. Takie rozwiązanie zapewnia efektywność energetyczną i komfort, co czyni zawór trójdrożny niezbędnym elementem nowoczesnych kotłów.
| Model kotła | Producent | Typ zaworu trójdrożnego | Specyfikacja | 
| EcoCompact 25 | Vaillant | Automatyczny | 25 kW, klasa energetyczna A | 
| Vitodens 100-W | Viessmann | Termostatyczny | 19 kW, klasa energetyczna A | 
Czytaj więcej: Zawór zwrotny przy pompie CO: Klucz do efektywności i trwałości systemu
Problemy związane z zaworem trójdrożnym i ich rozwiązania
W przypadku zaworów trójdrożnych, mogą wystąpić różne problemy, które wpływają na ich działanie. Najczęściej spotykane usterki to nieszczelności, które mogą prowadzić do utraty ciśnienia w systemie. Inne problemy to zatykanie się zaworu, co uniemożliwia prawidłowe mieszanie lub rozdzielanie przepływu czynnika roboczego. Aby zdiagnozować te problemy, należy najpierw sprawdzić, czy zawór jest prawidłowo zamontowany i czy nie ma widocznych uszkodzeń. W przypadku nieszczelności, może być konieczna wymiana uszczelnień lub całego zaworu. Regularne kontrole i testy ciśnienia mogą pomóc w szybkiej identyfikacji problemów.
Oprócz diagnozowania usterek, ważne jest również odpowiednie utrzymanie zaworu trójdrożnego, aby zminimalizować ryzyko awarii. Regularne czyszczenie zaworu i sprawdzanie jego elementów sterujących, takich jak mieszadełka i obrotowe trzpienie, jest kluczowe dla zapewnienia ich prawidłowego działania. Użytkownicy powinni również monitorować temperatury i ciśnienia w systemie, aby upewnić się, że zawór działa w optymalnych warunkach. W przypadku zaworów automatycznych, warto regularnie sprawdzać działanie elementów termostatycznych, które kontrolują przepływ wody. Dzięki tym działaniom można zwiększyć efektywność i żywotność zaworu trójdrożnego.
Jak diagnozować i naprawiać najczęstsze usterki zaworu trójdrożnego
Aby skutecznie diagnozować i naprawiać usterki zaworu trójdrożnego, warto zacząć od obserwacji objawów jego niewłaściwego działania. Nieszczelności można zidentyfikować poprzez sprawdzenie, czy woda nie wycieka z zaworu. Zatykanie się zaworu często objawia się spadkiem ciśnienia lub brakiem odpowiedniego przepływu. W takich przypadkach, warto zdjąć zawór i dokładnie go wyczyścić, usuwając wszelkie zanieczyszczenia. Jeśli problem nie ustępuje, może być konieczne wymienienie uszczelnień lub całego zaworu. Regularne testy ciśnienia i monitorowanie temperatury pomogą w szybkiej identyfikacji problemów i ich skutecznej naprawie.
Wskazówki dotyczące konserwacji zaworu trójdrożnego dla dłuższej żywotności
Aby zapewnić dłuższą żywotność zaworu trójdrożnego, kluczowe jest regularne przeprowadzanie odpowiednich działań konserwacyjnych. Warto zacząć od regularnego czyszczenia zaworu, aby usunąć wszelkie zanieczyszczenia, które mogą wpłynąć na jego działanie. Należy również monitorować temperatury i ciśnienia w systemie, aby upewnić się, że zawór działa w optymalnych warunkach. Dobrą praktyką jest sprawdzanie uszczelnień i elementów sterujących, aby zidentyfikować ewentualne zużycie przed wystąpieniem poważniejszych problemów. Rekomenduje się także przeprowadzanie okresowych testów ciśnienia, co pozwoli na wczesne wykrycie ewentualnych nieszczelności lub zatorów.
Innowacje w technologii zaworów trójdrożnych i ich przyszłość
W miarę jak technologia rozwija się, zawory trójdrożne stają się coraz bardziej zaawansowane, co wpływa na ich efektywność i funkcjonalność. Nowoczesne rozwiązania, takie jak inteligentne zawory z wbudowanymi czujnikami, mogą automatycznie dostosowywać przepływ wody w odpowiedzi na zmieniające się warunki w systemie. Dzięki integracji z systemami zarządzania budynkiem (BMS), użytkownicy mogą monitorować i kontrolować wydajność zaworów w czasie rzeczywistym, co pozwala na lepsze zarządzanie energią i oszczędności kosztów. W przyszłości, rozwój technologii IoT (Internet of Things) może umożliwić jeszcze bardziej zautomatyzowane systemy, które będą w stanie przewidywać potrzeby cieplne na podstawie danych o użytkowaniu i warunkach atmosferycznych.
Warto również zwrócić uwagę na ekologiczne aspekty nowoczesnych zaworów trójdrożnych. W miarę rosnącej świadomości ekologicznej, producenci skupiają się na tworzeniu produktów, które są bardziej energooszczędne i przyjazne dla środowiska. Zastosowanie materiałów recyklingowych oraz technologii zmniejszających zużycie energii w procesie produkcji to tylko niektóre z trendów, które mogą wpłynąć na przyszłość zaworów trójdrożnych. Wprowadzenie takich innowacji może nie tylko poprawić efektywność systemów grzewczych i chłodniczych, ale także przyczynić się do zrównoważonego rozwoju w branży budowlanej.







