Blog budowlany - porady, DIY
Odkryj porady techniczne w budownictwie i wnętrzach
Zapraszamy do techniczny24.pl, miejsca, gdzie pasjonaci budownictwa, fachowcy i miłośnicy wnętrz łączą siły, aby dzielić się swoją wiedzą i doświadczeniem. Nasz blog to zbiór inspirujących artykułów, praktycznych porad dotyczących warsztatu, hydrauliki oraz DIY. Dzięki różnorodności autorów, każdy znajdzie coś dla siebie, niezależnie od poziomu zaawansowania. Poznaj nasze wskazówki, które pomogą Ci w realizacji Twoich projektów oraz stwórz przestrzeń, w której będziesz czuł się dobrze. Zostań z nami, odkrywaj nowe pomysły i inspiracje, a także dołącz do naszej społeczności, gdzie każdy może dzielić się swoimi osiągnięciami!
Grafitowa łazienka jakie dodatki - stwórz elegancką przestrzeń z ciepłem
Wybierz idealne dodatki do grafitowej łazienki, które podkreślą elegancję i wprowadzą ciepło. Sprawdź nasze inspiracje na modne akcesoria!
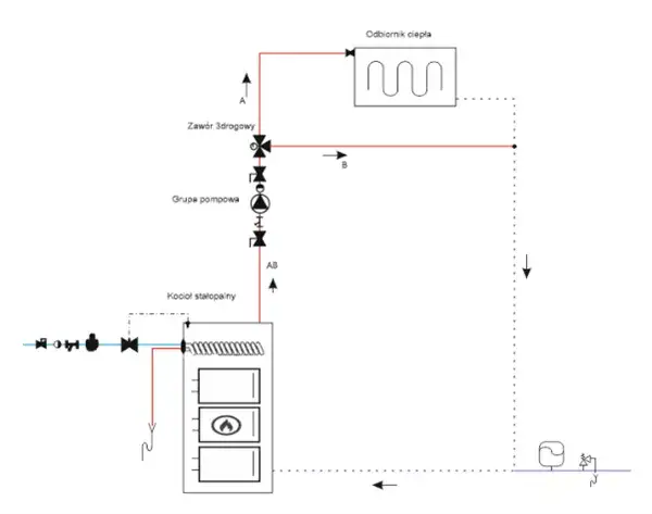
Zasada działania zaworu trójdrożnego - jak uniknąć problemów w instalacjach
Zasada działania zaworu trójdrożnego co pozwala na precyzyjne zarządzanie temperaturą w instalacjach. Dowiedz się, jak unikać problemów i zwiększyć efektywność.
Olejowanie zlewu granitowego: domowy sposób na blask i ochronę
Odkryj prosty sposób na odświeżenie zlewu granitowego olejem jadalnym. Dowiedz się, jak uzyskać blask i ochronę krok po kroku. Sprawdź nasz poradnik!
Jak zamontować zawór zwrotny do bojlera, aby uniknąć problemów z instalacją
Dowiedz się, jak zamontować zawór zwrotny do bojlera, aby uniknąć problemów z instalacją i zapewnić jego efektywne działanie w Twoim systemie grzewczym.
Najlepsza zaciskarka do rur miedzianych - wybierz mądrze i oszczędzaj
Wybór odpowiedniej zaciskarki do rur miedzianych to klucz do trwałych połączeń. Sprawdź, jaka zaciskarka do rur miedzianych będzie najlepsza dla Ciebie!
Czy można wlewać wrzątek do zlewu? Sprawdź, co może się stać
Czy można wlewać wrzątek do zlewu? Sprawdź, jakie ryzyka mogą się wiązać z tym działaniem i jak dbać o swoją instalację hydrauliczną.
Polecane artykuły
Od magazynu po biurowiec – projektowanie nowoczesnych obiektów komercyjnych
Gdy firma się rozwija, potrzebuje więcej przestrzeni, która często musi połączyć magazyn, halę produkcyjną i biuro. Jak zrealizować taką inwestycję, by uniknąć chaosu związanego z wieloma podwykonawcami i projektami? Istnieje metoda, pozwalająca zbudować spójne zaplecze dla biznesu. Sprawdź, jak podejść do tego kompleksowo.
Jak położyć panele winylowe w łazience bez błędów i stresu
Dowiedz się, jak położyć panele winylowe w łazience bez błędów. Praktyczne porady i techniki, które zapewnią trwałość i estetykę Twojej podłogi.
Jak odkrecic kolanko pod zlewem - uniknij kosztownych problemów z hydrauliką
Dowiedz się, jak odkrecic kolanko pod zlewem, aby uniknąć kosztownych problemów z hydrauliką. Sprawdź skuteczne techniki i porady, które ułatwią Ci pracę.
Komu przysługuje dofinansowanie na remont łazienki dla seniorów i niepełnosprawnych?
Zastanawiasz się, komu przysługuje dofinansowanie na remont łazienki? Sprawdź, jakie opcje wsparcia są dostępne dla seniorów i osób z niepełnosprawnościami.
Zawór zwrotny przy pompie CO: Klucz do efektywności i trwałości systemu
Zawór zwrotny przy pompie CO to kluczowy element, który zwiększa efektywność i trwałość systemu grzewczego. Dowiedz się, jak go prawidłowo zastosować!
Kategoria Warsztat
Szlifierki Czołowe: Przegląd Produktów i Zastosowania w Pracy
Odkryj tajniki szlifierek czołowych – kluczowych narzędzi w obróbce metalu. Poznaj najlepsze modele, właściwości i praktyczne zastosowania bezpiecznych, wydajnych szlifierek przemysłowych.
Reduktory Ciśnienia Gazu: Zastosowanie i Porady Eksperta
Odkryj rolę reduktorów ciśnienia gazu w bezpiecznym i efektywnym korzystaniu z urządzeń gazowych. Eksperci dzielą się poradami dotyczącymi wyboru, konserwacji i oszczędności z reduktorem ciśnienia gazu, reduktorem ciśnienia powietrza 1 2 cala oraz reduktorem ciśnienia powietrza do kompresora.
Przyssawki Gumowe: Kompletny Przewodnik Wyboru i Zastosowania
Poznaj różnorodne zastosowania przyssawek gumowych - idealnych pomocników w majsterkowaniu, przemyśle i codziennym życiu. Dowiedz się, jak wybrać odpowiedni model i dbać o jego długą żywotność. Niezbędnik każdego rzemieślnika i majsterkowicza.
Jak Czytać i Rozumieć Schematy Przepływomierzy Powietrza? Poradnik
Poznaj znaczenie symboli na schematach przepływomierzy powietrza, metody odczytu danych i kodów błędów oraz rozwiązywania typowych problemów z tymi kluczowymi czujnikami - przepływomierz schemat
Kategoria Łazienka
Alternatywy dla drzwi do łazienki, które zaoszczędzą miejsce i styl
Szukasz alternatyw dla tradycyjnych rozwiązań? Sprawdź, co zamiast drzwi do łazienki pomoże zaoszczędzić miejsce i doda stylu Twojemu wnętrzu.
Jakie farby do łazienki: Wybierz najlepsze opcje odporne na wilgoć
Wybierz najlepsze farby do łazienki, które są odporne na wilgoć i łatwe do czyszczenia. Sprawdź nasze propozycje i ciesz się pięknym wnętrzem!
Szafki łazienkowe: Klucz do funkcjonalnej i estetycznej przestrzeni
Współczesna łazienka to nie tylko miejsce przeznaczone do higieny osobistej, ale także przestrzeń, która powinna łączyć funkcjonalność z estetyką. Jednym z najważniejszych elementów wyposażenia, które mogą znacząco wpłynąć na wygląd i praktyczność łazienki, są szafki łazienkowe.
Łazienki Królewskie: jak dojechać ZTM? Najlepsze połączenia
Planujesz wizytę w Łazienkach Królewskich? Sprawdź, jak dojechać ZTM, korzystając z najlepszych połączeń tramwajowych i autobusowych w Warszawie.
Podparte zawory objawy – jak rozpoznać poważny problem w silniku
Zidentyfikuj objawy podpartych zaworów w silniku, aby uniknąć poważnych uszkodzeń. Dowiedz się, na co zwracać uwagę, by zadbać o swój pojazd.
Z czego zrobić szafkę do łazienki, aby uniknąć zniszczeń przez wilgoć?
Dowiedz się, z czego zrobić szafkę do łazienki, aby była odporna na wilgoć i trwała. Odkryj najlepsze materiały i techniki montażu dla długowieczności.
Rury SN4 czy SN8 - które rury są lepsze do Twojego projektu?
Porównaj rury SN4 i SN8, aby dowiedzieć się, które będą lepsze do Twojego projektu. Sprawdź ich zastosowanie i wybierz idealne rozwiązanie!
Jak skutecznie pomalować zlew stalowy, by uniknąć problemów z farbą
Dowiedz się, czym pomalować zlew stalowy, aby uzyskać trwały efekt. Poznaj sprawdzone metody i techniki, które zapewnią doskonałe pokrycie i ochronę.