Zawór 3/2 to kluczowy element w systemach pneumatycznych i hydraulicznych, który wyróżnia się swoją unikalną konstrukcją i funkcjonalnością. W przeciwieństwie do innych typów zaworów, ten model posiada trzy porty i dwie pozycje robocze, co czyni go niezwykle wszechstronnym w kontrolowaniu przepływu mediów. Czy zastanawiałeś się kiedyś, dlaczego zawór 3/2 jest tak często wybierany przez inżynierów i projektantów? W tym artykule zgłębimy jego charakterystykę, porównamy go z innymi rodzajami zaworów i odkryjemy, co sprawia, że jest on niezastąpiony w wielu aplikacjach przemysłowych.
Kluczowe wnioski:- Zawór 3/2 posiada trzy porty i dwie pozycje robocze, co umożliwia precyzyjną kontrolę przepływu.
- W porównaniu z zaworami 2/2 i 4/2, zawór 3/2 oferuje unikalną kombinację funkcjonalności i prostoty.
- Zastosowania zaworu 3/2 obejmują sterowanie siłownikami jednostronnego działania i systemy odpowietrzania.
- Wybór odpowiedniego zaworu 3/2 zależy od specyfiki instalacji, medium roboczego i wymagań operacyjnych.
- Regularna konserwacja i diagnostyka zaworu 3/2 są kluczowe dla zapewnienia jego długotrwałej i niezawodnej pracy.
Podstawowe cechy zaworu 3/2 - jak działa?
Zawór 3/2 to kluczowy element w systemach pneumatycznych i hydraulicznych, charakteryzujący się trzema portami i dwiema pozycjami roboczymi. Jego nazwa odzwierciedla tę specyfikację: 3 oznacza liczbę portów, a 2 - liczbę pozycji. Ale co to właściwie oznacza w praktyce?
Wyobraź sobie, że masz trzy drogi i możesz wybrać między dwiema konfiguracjami. W pierwszej pozycji, zawór łączy port wlotowy z portem wylotowym, umożliwiając przepływ medium. W drugiej pozycji, port wylotowy jest połączony z portem odpowietrzającym, co pozwala na uwolnienie ciśnienia z układu.
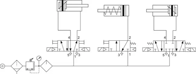
Działanie zaworu 3/2 opiera się na prostym, ale genialnym mechanizmie. Gdy zawór jest aktywowany (może to być sterowanie ręczne, elektryczne lub pneumatyczne), wewnętrzny element przesuwny lub obrotowy zmienia swoją pozycję. Ta zmiana przekierowuje przepływ medium między portami, umożliwiając precyzyjną kontrolę nad systemem.
Co ciekawe, zawór 3/2 może być normalnie otwarty lub normalnie zamknięty. W wersji normalnie otwartej, w stanie spoczynku, port wlotowy jest połączony z portem wylotowym. W wersji normalnie zamkniętej, w stanie spoczynku, port wylotowy jest połączony z portem odpowietrzającym. Ta elastyczność sprawia, że zawór 3/2 jest niezwykle wszechstronny i może być dostosowany do różnych wymagań systemu.
Zawór 3/2 vs zawory 2/2 i 4/2 - kluczowe różnice
Porównując zawór 3/2 z innymi typami zaworów, możemy zauważyć kilka istotnych różnic. Zacznijmy od zaworu 2/2. Ten typ zaworu posiada tylko dwa porty i dwie pozycje - otwarty lub zamknięty. Jest to najprostszy rodzaj zaworu, idealny do kontroli przepływu w jednym kierunku, ale nie oferuje możliwości odpowietrzania układu, którą zapewnia zawór 3/2. Z kolei zawór 4/2 ma cztery porty i dwie pozycje. W porównaniu z zaworem 3/2, oferuje on dodatkowy port, co umożliwia bardziej złożone operacje, takie jak zmiana kierunku przepływu. Zawór 4/2 jest często stosowany w układach z siłownikami dwustronnego działania, podczas gdy zawór 3/2 jest idealny dla siłowników jednostronnego działania.Warto również wspomnieć o zaworze 5/3, który ma pięć portów i trzy pozycje. Jest to jeszcze bardziej zaawansowany wariant, oferujący dodatkową pozycję środkową, często wykorzystywaną do zatrzymania ruchu siłownika w dowolnym punkcie. W porównaniu z nim, zawór 3/2 jest prostszy w budowie i obsłudze, co czyni go idealnym wyborem dla mniej skomplikowanych aplikacji.
Kolejną istotną różnicą jest sposób sterowania przepływem. Zawór 3/2 umożliwia nie tylko kontrolę przepływu, ale także odpowietrzanie układu, co jest kluczowe w wielu zastosowaniach pneumatycznych. Ta cecha wyróżnia go spośród prostszych zaworów, takich jak 2/2, i czyni go bardziej wszechstronnym w porównaniu z bardziej złożonymi wariantami, jak 4/2 czy 5/3.
Czytaj więcej: Zawór Wysokiego Ciśnienia: Zastosowanie Produktów i Przewodnik
Zastosowania zaworu 3/2 w pneumatyce i hydraulice
Zawór 3/2 znajduje szerokie zastosowanie zarówno w systemach pneumatycznych, jak i hydraulicznych. W pneumatyce, jednym z najpopularniejszych zastosowań jest sterowanie siłownikami jednostronnego działania. Dzięki możliwości odpowietrzania, zawór ten pozwala na precyzyjne kontrolowanie ruchu tłoka, zapewniając jego szybki powrót do pozycji wyjściowej.
W układach hydraulicznych, zawór 3/2 często wykorzystywany jest do kontroli przepływu oleju w systemach smarowania. Jego zdolność do szybkiego przełączania między pozycjami sprawia, że jest idealny do aplikacji wymagających częstych zmian kierunku przepływu. Zawór ten sprawdza się również doskonale w systemach chłodzenia, gdzie precyzyjna kontrola przepływu cieczy chłodzącej jest kluczowa.
Interesującym zastosowaniem zaworu 3/2 jest jego rola w systemach bezpieczeństwa. W przypadku awarii lub nagłego zatrzymania maszyny, zawór ten może быстро odpowietrzyć układ, eliminując potencjalne zagrożenia związane z nagromadzonym ciśnieniem. Ta cecha czyni go niezastąpionym w wielu aplikacjach przemysłowych, gdzie bezpieczeństwo jest priorytetem.
Warto również wspomnieć o zastosowaniu zaworu 3/2 w automatyce przemysłowej. Jest on często wykorzystywany w systemach sterowania, gdzie pełni rolę elementu wykonawczego, reagującego na sygnały z czujników lub sterowników PLC. Jego szybkość działania i niezawodność sprawiają, że jest idealnym wyborem do systemów wymagających precyzyjnej kontroli i szybkiej reakcji.
- Sterowanie siłownikami jednostronnego działania w systemach pneumatycznych
- Kontrola przepływu oleju w układach smarowania hydraulicznego
- Zastosowanie w systemach bezpieczeństwa do szybkiego odpowietrzania układów
- Wykorzystanie w automatyce przemysłowej jako element wykonawczy
- Regulacja przepływu w systemach chłodzenia
Zalety i wady zaworu 3/2 w porównaniu z innymi
Jedną z głównych zalet zaworu 3/2 jest jego wszechstronność. W porównaniu z prostszym zaworem 2/2, oferuje on dodatkową funkcjonalność w postaci możliwości odpowietrzania układu. Ta cecha jest nieoceniona w wielu aplikacjach pneumatycznych, gdzie szybkie uwolnienie ciśnienia jest kluczowe dla bezpieczeństwa i efektywności pracy.
Kolejną zaletą jest stosunkowo prosta konstrukcja zaworu 3/2 w porównaniu z bardziej złożonymi wariantami, takimi jak zawór 5/3. Prostsza budowa przekłada się na niższe koszty produkcji i utrzymania, co czyni go atrakcyjnym wyborem dla wielu aplikacji przemysłowych. Dodatkowo, mniejsza liczba ruchomych części wewnątrz zaworu oznacza potencjalnie wyższą niezawodność i dłuższą żywotność.
Warto również podkreślić szybkość działania zaworu 3/2. Dzięki swojej konstrukcji, może on bardzo szybko przełączać się między pozycjami, co jest kluczowe w aplikacjach wymagających szybkiej reakcji. Ta cecha wyróżnia go szczególnie w porównaniu z zaworem zwrotnym 3/4, który z natury działa wolniej ze względu na mechanizm zwrotny.
Jeśli chodzi o wady, głównym ograniczeniem zaworu 3/2 jest brak możliwości kontroli kierunku przepływu w obu kierunkach, co oferuje na przykład zawór 4/2. W niektórych aplikacjach może to być istotne ograniczenie. Dodatkowo, w porównaniu z bardziej zaawansowanymi zaworami, takimi jak 5/3, zawór 3/2 nie oferuje pozycji środkowej, co może być wymagane w niektórych systemach precyzyjnego sterowania.
Dobór zaworu 3/2 do konkretnych instalacji
Wybór odpowiedniego zaworu 3/2 do konkretnej instalacji wymaga uwzględnienia wielu czynników. Przede wszystkim, należy wziąć pod uwagę rodzaj medium, z którym zawór będzie pracował. Czy będzie to powietrze w systemie pneumatycznym, czy może olej w układzie hydraulicznym? Właściwości medium, takie jak lepkość czy agresywność chemiczna, mają kluczowe znaczenie dla doboru materiałów, z których wykonany jest zawór.
Kolejnym istotnym aspektem jest wymagane ciśnienie robocze. Zawór 3/2 musi być w stanie wytrzymać maksymalne ciśnienie występujące w układzie, z odpowiednim marginesem bezpieczeństwa. Warto również zwrócić uwagę na wymaganą przepustowość - zawór powinien być w stanie zapewnić odpowiedni przepływ medium bez nadmiernych strat ciśnienia.
Nie można zapomnieć o warunkach pracy zaworu. Czy będzie on narażony na ekstremalne temperatury, wibracje lub agresywne środowisko? Te czynniki mogą wpływać na wybór materiałów uszczelnień i konstrukcji zaworu. W niektórych przypadkach może być konieczne zastosowanie specjalnych wersji zaworu 3/2 przystosowanych do trudnych warunków pracy.
Ważnym aspektem jest również sposób sterowania zaworem. Czy będzie on aktywowany ręcznie, pneumatycznie, czy może elektrycznie? Każda z tych opcji ma swoje zalety i ograniczenia, które należy rozważyć w kontekście konkretnej aplikacji. Na przykład, sterowanie elektryczne może być preferowane w zautomatyzowanych liniach produkcyjnych, podczas gdy sterowanie ręczne może być lepszym wyborem w aplikacjach wymagających bezpośredniej interwencji operatora.
- Rodzaj medium (powietrze, olej) i jego właściwości
- Wymagane ciśnienie robocze i przepustowość
- Warunki pracy (temperatura, wibracje, agresywne środowisko)
- Sposób sterowania (ręczny, pneumatyczny, elektryczny)
- Kompatybilność z istniejącym systemem i standardami bezpieczeństwa
Konserwacja i diagnostyka zaworu 3/2 - praktyczne wskazówki
Regularna konserwacja zaworu 3/2 jest kluczowa dla zapewnienia jego długotrwałej i niezawodnej pracy. Podstawowym elementem konserwacji jest okresowe czyszczenie zaworu. Zanieczyszczenia mogą gromadzić się wewnątrz, powodując nieprawidłowe działanie lub nawet uszkodzenie. Czyszczenie powinno być przeprowadzane zgodnie z zaleceniami producenta, z użyciem odpowiednich środków czyszczących, które nie uszkodzą wewnętrznych elementów zaworu.
Kolejnym ważnym aspektem jest kontrola szczelności. Nawet małe wycieki mogą prowadzić do znacznych strat energii i obniżenia wydajności systemu. Do wykrywania nieszczelności można użyć specjalnych sprayów lub elektronicznych detektorów wycieków. W przypadku wykrycia nieszczelności, należy niezwłocznie wymienić uszczelnienia lub, jeśli to konieczne, cały zawór.
Diagnostyka zaworu 3/2 często obejmuje badanie czasu przełączania. Zbyt długi czas przełączania może wskazywać na problemy z wewnętrznymi elementami zaworu lub z systemem sterowania. Warto regularnie monitorować te parametry i porównywać je z danymi nominalnymi. Nowoczesne systemy diagnostyczne często umożliwiają ciągłe monitorowanie pracy zaworu, co pozwala na wczesne wykrycie potencjalnych problemów.
Nie można zapomnieć o regularnej wymianie części zużywających się, takich jak uszczelnienia czy sprężyny. Producenci zazwyczaj podają zalecane okresy między wymianami, których należy przestrzegać. Warto również prowadzić dokładną dokumentację wszystkich czynności konserwacyjnych i napraw. Pomoże to w planowaniu przyszłych prac i może być nieocenione w przypadku rozwiązywania problemów w przyszłości.
Podsumowanie
Zawór 3/2 wyróżnia się wśród innych typów, takich jak zawór 3/4 czy zawór 5/3, swoją wszechstronnością i prostotą. Jego unikalna konstrukcja z trzema portami i dwiema pozycjami umożliwia precyzyjną kontrolę przepływu oraz odpowietrzanie układu, co jest kluczowe w wielu zastosowaniach przemysłowych. W porównaniu z zaworem zwrotnym 3/4, oferuje on większą elastyczność w sterowaniu przepływem.
Wybór odpowiedniego zaworu 3/2 wymaga uwzględnienia specyfiki instalacji, medium roboczego oraz warunków pracy. Regularna konserwacja i diagnostyka są niezbędne dla zapewnienia długotrwałej i niezawodnej pracy. Dzięki swojej konstrukcji i funkcjonalności, zawór 3/2 pozostaje popularnym wyborem w systemach pneumatycznych i hydraulicznych, oferując optymalną równowagę między prostotą a wydajnością.
