Zawór trójdrożny to kluczowy element instalacji grzewczych, który odpowiada za prawidłowe mieszanie lub rozdzielanie przepływu ciepłej wody. Jego poprawne ustawienie ma zasadnicze znaczenie dla wydajności całego systemu. Proces montażu wymaga szczególnej uwagi i przestrzegania określonych zasad. Standardowo zawór jest ustawiony fabrycznie na pozycję 5, co oznacza częściowe otwarcie obu strumieni. Właściwa instalacja obejmuje nie tylko sam montaż, ale również precyzyjną regulację współczynnika Kvs oraz kontrolę szczelności.
Najważniejsze informacje:- Zawór trójdrożny służy do mieszania lub rozdzielania przepływu wody w systemie grzewczym
- Fabryczne ustawienie zaworu znajduje się na pozycji 5
- Prawidłowy montaż wymaga zwrócenia uwagi na kierunek przepływu wody
- Konieczne jest właściwe ustawienie zawieradła między zasilaniem a powrotem
- Współczynnik Kvs musi być dostosowany do potrzeb konkretnej instalacji
- Po montażu niezbędne jest wykonanie próby szczelności
Co to jest zawór trójdrożny i do czego służy?
Zawór trójdrożny to kluczowy element instalacji grzewczych, który kontroluje przepływ ciepłej wody w systemie. Jego głównym zadaniem jest mieszanie lub rozdzielanie strumieni wody o różnych temperaturach. Prawidłowe ustawienie zaworu trójdrożnego ma zasadnicze znaczenie dla efektywności całego układu grzewczego.
W instalacjach spotykamy dwa podstawowe typy: zawory mieszające oraz rozdzielające. Każdy z nich wymaga specyficznego podejścia podczas montażu zaworu trójdrożnego krok po kroku.
- Regulacja temperatury wody w obiegu grzewczym
- Ochrona kotła przed zbyt niską temperaturą powrotu
- Sterowanie ogrzewaniem podłogowym
- Zarządzanie przepływem w instalacjach solarnych
Niezbędne narzędzia do montażu zaworu trójdrożnego
Przed rozpoczęciem instalacji zaworu trójdrożnego należy zgromadzić odpowiednie narzędzia. Profesjonalny montaż wymaga użycia specjalistycznego sprzętu.
| Narzędzie | Zastosowanie | Uwagi |
| Klucz nastawny | Dokręcanie złączek | Rozmiar 150-300mm |
| Śrubokręt krzyżakowy | Montaż siłownika | PH2 |
| Poziomnica | Wyrównanie zaworu | Min. 30cm długości |
Czytaj więcej: Skuteczna naprawa uszczelki w zamrażarce: poradnik dla majsterkowicza
Przygotowanie zaworu do montażu
Przed rozpoczęciem montażu zaworu trójdrożnego należy zdemontować pokrętło i niebieski element wskazujący. Warto też sprawdzić, czy trzpień znajduje się w pozycji fabrycznej (skala 5).
Kolejnym krokiem jest weryfikacja kierunku przepływu wody zgodnie z oznaczeniami na korpusie. Właściwe określenie kierunku to podstawa prawidłowego ustawienia zaworu trójdrożnego.
Zanim przystąpisz do dalszych czynności, upewnij się, że posiadasz wszystkie elementy montażowe. Sprawdź kompletność uszczelek i śrub mocujących.
Prawidłowe ustawienie zawieradła
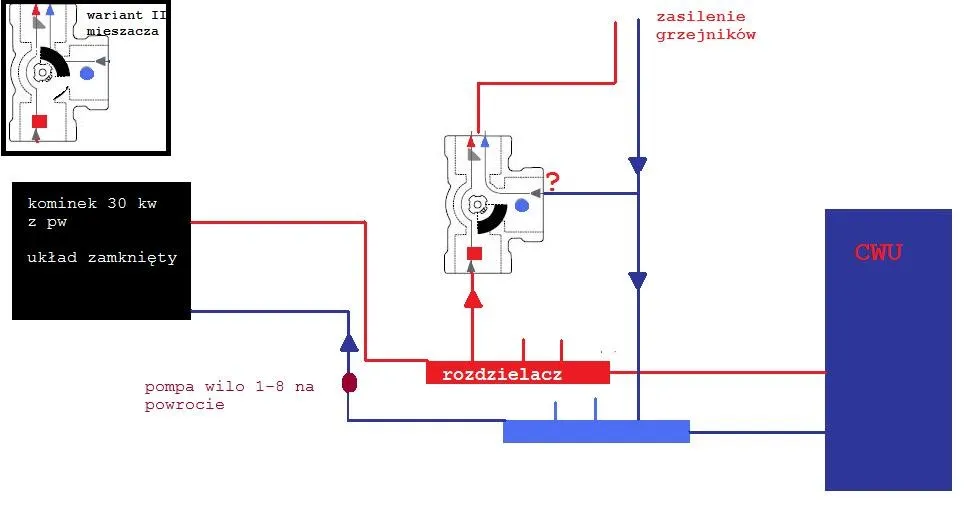
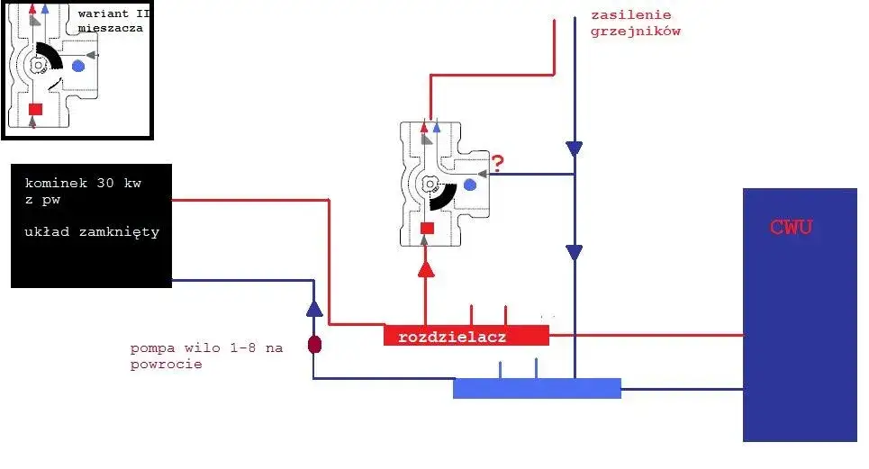
Zawieradło musi znajdować się dokładnie pomiędzy króćcem zasilającym a powrotnym. Jego pozycja determinuje skuteczność mieszania strumieni wody.
Podczas ustawienia zaworu trójdrożnego zwróć uwagę na wyfrezowanie na trzpieniu. Element ten powinien być ustawiony w przeciwnym kierunku do zawieradła.
Precyzyjne ustawienie zawieradła wymaga znajomości specyfiki danego modelu. Na filmach instruktażowych na YouTube możesz znaleźć szczegółowe wskazówki dotyczące konkretnych typów zaworów.
Kierunek przepływu wody musi być zgodny ze strzałkami na korpusie zaworu. Nieprawidłowe ustawienie może skutkować błędnym działaniem całego układu. Warto skorzystać z tutoriala montażu zaworu trójdrożnego, aby uniknąć podstawowych błędów.
Montaż zaworu krok po kroku
Jak ustawić zawór trójdrożny w praktyce? Proces montażu wymaga systematycznego podejścia. Dokładne wykonanie każdego kroku zapewni prawidłowe działanie urządzenia.
- Oczyszczenie powierzchni montażowych z zanieczyszczeń
- Założenie uszczelek na króćce przyłączeniowe
- Wstępne pozycjonowanie zaworu w instalacji
- Dokręcenie złączek na zasilaniu
- Montaż przewodu powrotnego
- Instalacja siłownika na zaworze
Dokręcanie złączek powinno być wykonywane stopniowo i równomiernie. Zbyt mocne dokręcenie może uszkodzić uszczelki.
Po zamontowaniu sprawdź stabilność zaworu w instalacji. Delikatne poruszenie nie powinno powodować żadnych luzów.
Ustawienie współczynnika Kvs
Współczynnik Kvs określa przepustowość zaworu i ma kluczowe znaczenie dla jego prawidłowego działania. Na filmach instruktażowych dotyczących zaworu trójdrożnego można znaleźć szczegółowe informacje o doborze właściwej wartości. Wartość ta musi być dostosowana do parametrów instalacji.
Regulacja współczynnika wpływa bezpośrednio na efektywność mieszania strumieni wody. Zbyt niski współczynnik może powodować niedogrzewanie instalacji, podczas gdy zbyt wysoki prowadzi do nieprecyzyjnej regulacji. Regulacja zaworu mieszającego wymaga uwzględnienia mocy systemu grzewczego.
Do zmiany wartości Kvs służy specjalna dźwignia znajdująca się na zaworze. Regulacji dokonujemy zgodnie z instrukcją instalacji zaworu trójdrożnego.
Kontrola szczelności połączeń
Po zakończeniu montażu zaworu trójdrożnego konieczne jest przeprowadzenie próby szczelności. Test należy wykonać przy normalnym ciśnieniu roboczym instalacji. Obserwację wycieku należy prowadzić przez minimum 30 minut.
Szczególną uwagę należy zwrócić na połączenia gwintowane i uszczelnienia. Nawet najmniejszy wyciek może świadczyć o błędach montażowych. Kontrolę warto przeprowadzić dwukrotnie - na zimno i po rozgrzaniu instalacji.
| Problem | Rozwiązanie |
| Wyciek na złączkach | Dokręcenie połączeń, wymiana uszczelek |
| Nieszczelność trzpienia | Regulacja dławicy, wymiana o-ringów |
Pierwsze uruchomienie systemu
Podczas pierwszego uruchomienia kluczowa jest powolna zmiana temperatury. System należy rozgrzewać stopniowo.
Obserwuj pracę zaworu przy różnych nastawach temperatury. Reakcja powinna być płynna i stabilna.
Sprawdź działanie automatyki sterującej zaworem. Siłownik powinien pracować bez zacięć i nietypowych dźwięków.
Jak zamontować zawór trójdrożny i skutecznie go przetestować? Warto poświęcić minimum godzinę na obserwację pracy systemu. Szczególną uwagę zwróć na stabilność temperatury.
Rozwiązywanie typowych problemów
Problemy z pracą zaworu najczęściej wynikają z błędów montażowych. Podczas oglądania filmów instruktażowych o zaworze trójdrożnym na YouTube warto zwrócić uwagę na najczęstsze usterki. Nieprawidłowe działanie może objawiać się nierównomiernym ogrzewaniem pomieszczeń.
Hałas podczas pracy zaworu często wskazuje na obecność powietrza w instalacji. Zbyt wolna reakcja na zmianę temperatury może świadczyć o niewłaściwym doborze współczynnika Kvs. Regulacja zaworu mieszającego wymaga czasem kilkukrotnych korekt.
W przypadku poważniejszych problemów warto skorzystać z poradnika ustawienia zaworu trójdrożnego lub skonsultować się z profesjonalistą.
Konserwacja i przeglądy zaworu trójdrożnego
Regularna konserwacja to podstawa długotrwałej i bezawaryjnej pracy zaworu. Minimum raz w roku należy przeprowadzić pełny przegląd urządzenia.
Podczas przeglądu sprawdź stan uszczelek i połączeń gwintowych. Instruktaż konserwacji zaworu trójdrożnego powinien obejmować również kontrolę pracy siłownika.
W ramach rutynowej konserwacji należy oczyścić zawór z osadów. Systematyczne przeglądy pozwalają wykryć potencjalne problemy na wczesnym etapie.
Profesjonalna konserwacja znacząco wydłuża żywotność zaworu. Regularne przeglądy pomagają utrzymać optymalną efektywność systemu. Jak ustawić zawór trójdrożny, aby służył długie lata? Kluczem jest przestrzeganie harmonogramu przeglądów.
Co należy zapamiętać z montażu zaworu trójdrożnego?
Prawidłowe ustawienie zaworu trójdrożnego wymaga systematycznego podejścia i uwagi na każdym etapie montażu. Kluczowe znaczenie ma właściwe przygotowanie narzędzi, dokładne sprawdzenie kierunku przepływu oraz precyzyjne ustawienie zawieradła. Pamiętaj, że pozycja fabryczna na skali 5 to punkt wyjścia do dalszych regulacji.
Szczególną uwagę należy zwrócić na dobór współczynnika Kvs oraz kontrolę szczelności połączeń. Montaż zaworu trójdrożnego krok po kroku powinien zakończyć się testem działania przy różnych temperaturach. Pierwsze uruchomienie systemu wymaga cierpliwości i dokładnej obserwacji pracy urządzenia.
Regularna konserwacja i przeglądy techniczne to gwarancja długotrwałej i bezawaryjnej pracy zaworu. Warto zapoznać się z instruktażem zaworu trójdrożnego dostępnym na YouTube, który pomoże w rozwiązywaniu typowych problemów oraz prawidłowej konserwacji urządzenia.
